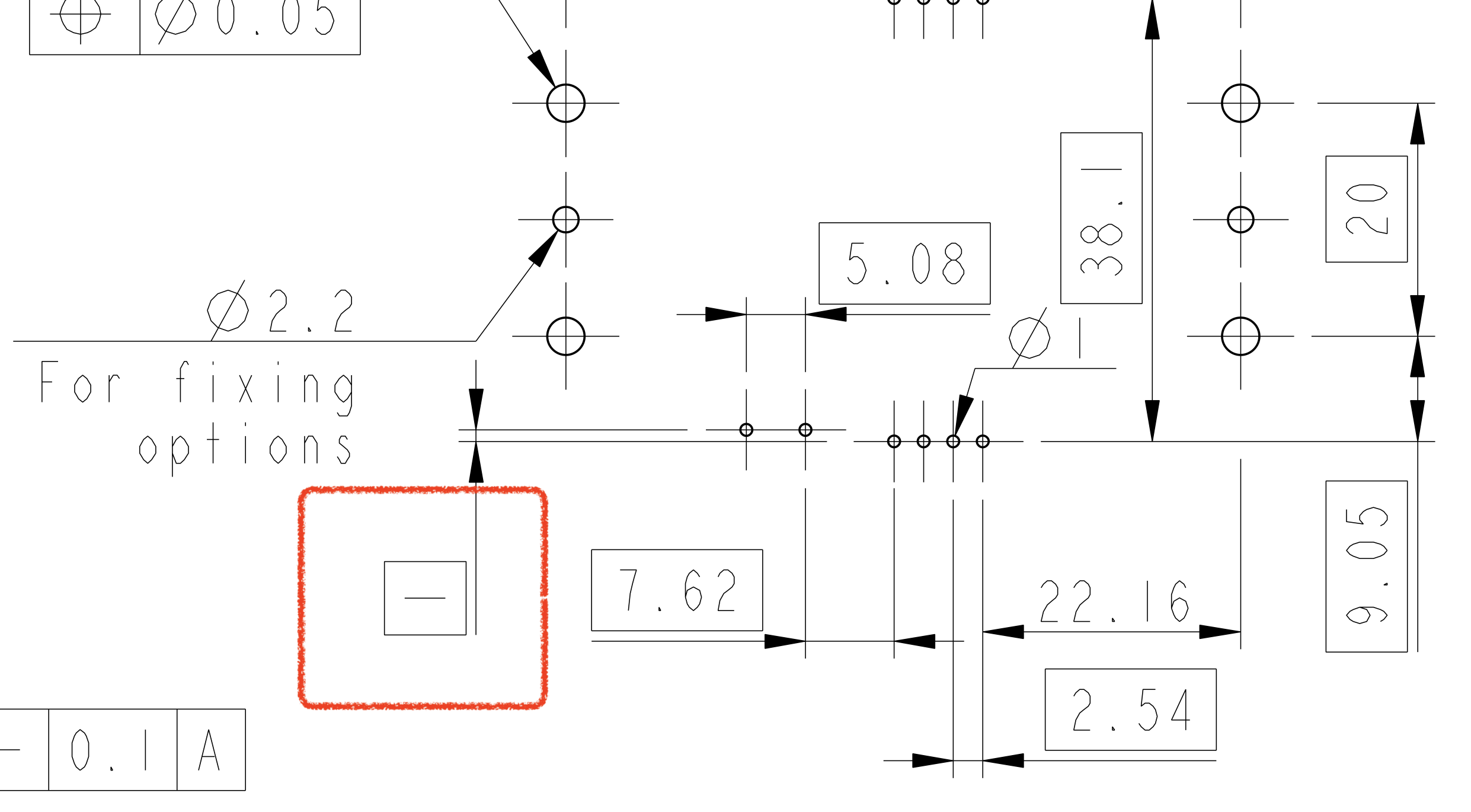
RevK :verified_r: on Nostr: It too me *way* too long to work out the marked dimension...
It too me *way* too long to work out the marked dimension...
Published at
2025-11-16 14:37:20 UTCEvent JSON
{
"id": "0997d4a30d8cb1d76f86e5eb407ebc94c489cf2cd6c7d790475b6d2b78b112c2",
"pubkey": "55c518ad55d4748c443e08724862133f0b42a32fcad2eac9a6edfbb71ca44e98",
"created_at": 1763303840,
"kind": 1,
"tags": [
[
"proxy",
"https://toot.me.uk/@revk/115559880471640737",
"web"
],
[
"imeta",
"url https://toot.me.uk/system/media_attachments/files/115/559/879/088/547/181/original/2ae86a867ece46af.png",
"m image/png"
],
[
"proxy",
"https://toot.me.uk/users/revk/statuses/115559880471640737",
"activitypub"
],
[
"L",
"pink.momostr"
],
[
"l",
"pink.momostr.activitypub:https://toot.me.uk/users/revk/statuses/115559880471640737",
"pink.momostr"
],
[
"-"
]
],
"content": "It too me *way* too long to work out the marked dimension...\nhttps://toot.me.uk/system/media_attachments/files/115/559/879/088/547/181/original/2ae86a867ece46af.png\n",
"sig": "da2ba1ce4af78774283f9d37719b942baacc43b3f6af4e2c5e8e478cab96104bf0f3f0fe2396f41a729715a687ad4b76dfd5721cc1050f05d817a35c3bb7b554"
}