Dave Anderson on Nostr: "Hmm, I need to get a medium fancy bit of arithmetic computed quickly, I wonder what ...
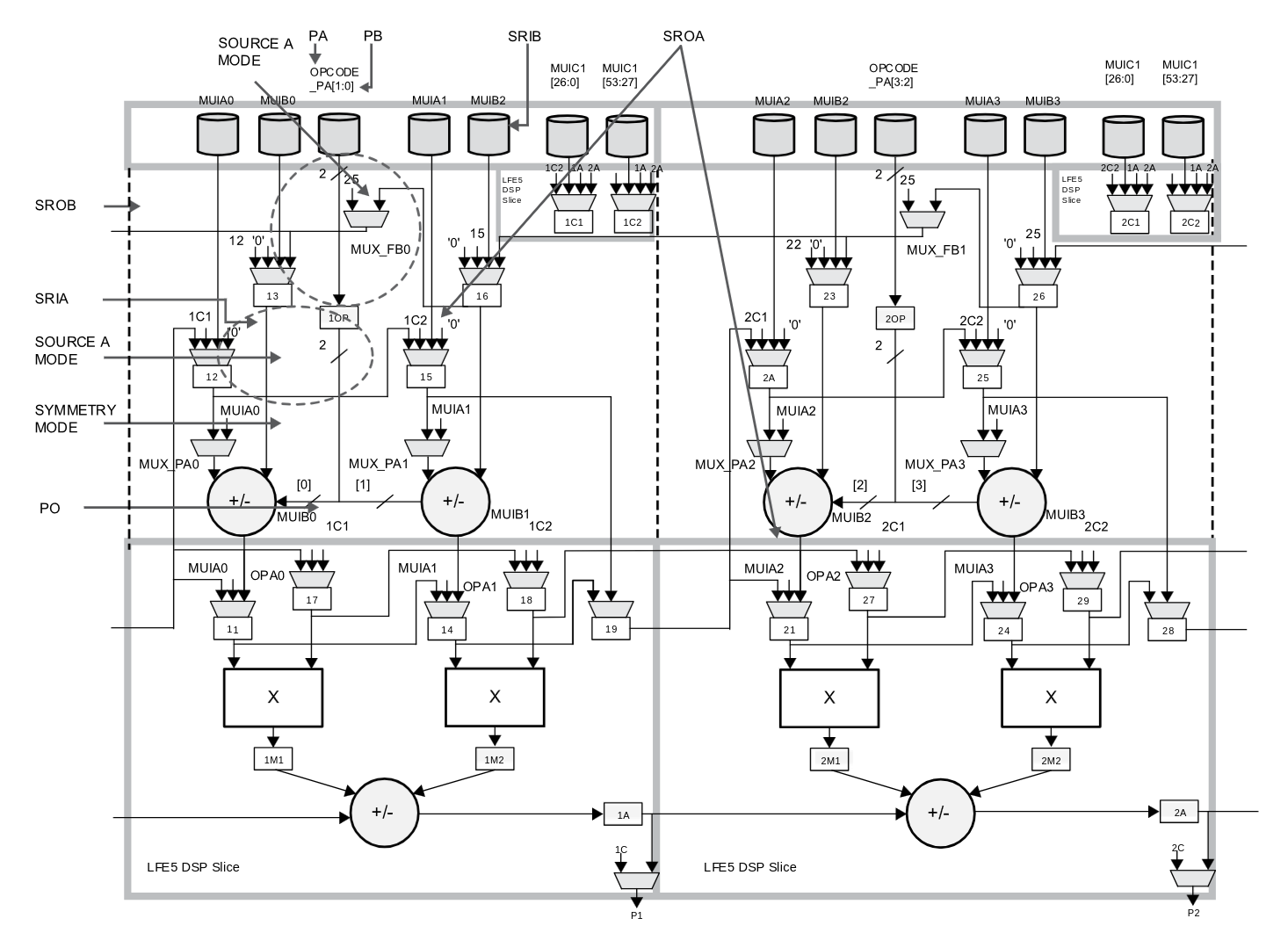
"Hmm, I need to get a medium fancy bit of arithmetic computed quickly, I wonder what the DSP hard blocks on this FPGA can do"
The FPGA, with unhinged eyes: "did someone say they need to MATH THE SHIT OUT OF SOMETHING"
Published at
2024-08-19 02:31:14 UTCEvent JSON
{
"id": "9306be0ca1c124c8941ed06c09b33b5f47b8322e369333548b235b7e57e6b037",
"pubkey": "dad113f50e47d6bffb79f9a69006ffd969c26e636e5aed2ae597b0407093175f",
"created_at": 1724034674,
"kind": 1,
"tags": [
[
"proxy",
"https://hachyderm.io/@danderson/112986336447614395",
"web"
],
[
"imeta",
"url https://media.hachyderm.io/media_attachments/files/112/986/321/952/027/268/original/fb872cdf952267b9.png",
"m image/png"
],
[
"proxy",
"https://hachyderm.io/users/danderson/statuses/112986336447614395",
"activitypub"
],
[
"L",
"pink.momostr"
],
[
"l",
"pink.momostr.activitypub:https://hachyderm.io/users/danderson/statuses/112986336447614395",
"pink.momostr"
],
[
"-"
]
],
"content": "\"Hmm, I need to get a medium fancy bit of arithmetic computed quickly, I wonder what the DSP hard blocks on this FPGA can do\"\n\nThe FPGA, with unhinged eyes: \"did someone say they need to MATH THE SHIT OUT OF SOMETHING\"\nhttps://media.hachyderm.io/media_attachments/files/112/986/321/952/027/268/original/fb872cdf952267b9.png\n",
"sig": "0043bf794fe5e2a0af25bd1dbb215eccc693e71574a9b3e104297c5f9caea62e9ad3fb2bcbdfb41d2e61d89270f83cc42e48ad62f04514ea9549eb6a19cf9b93"
}